VF

Betongskrue

VF er en 7,5 mm betongskrue til montering av dører og vinduer i forskellige materialer.

CE-merket
Anvendelsesklasse 2
Elgalvanisert stål
Indoor

Produktinformasjon

Bilder

Egenskaper

Fordeler

  • Kort kantavstand
  • Liten forankringsdybde
  • Liten hulldiameter

Applikasjoner

Materiale

  • Stål
  • Hvit sinkbelagt

Bruksområde

  • Vindus- og dørkarmer
  • Treprofiler og lekter

Egnet for

  • Ikke-sprukket betong
  • Murstein
  • Tre

Tekniske data

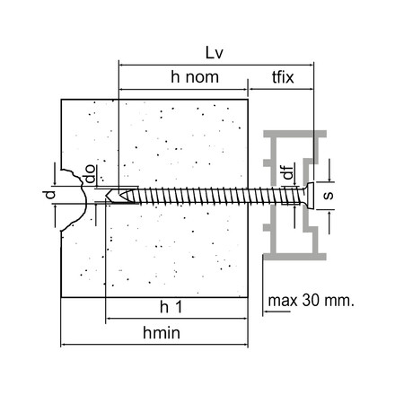
Dimensjoner

Produktdimensjon – Skrue med sylindrisk hode

Table "Produktdimensjon – Skrue med sylindrisk hode" cannot be displayed : no references available.

(1)Max fixing thickness refers to installation on concrete

* Not covered by CE certification

Produktdimensjon – Skrue med senket hode

Art. nr. Product Reference Dimensjoner [dxLv] [mm] Hulldiameter [do] [mm] Hole diameter in fixture [df] [mm] Hodets diameter [s] [mm] Nominell innstøpningsdybde [hnom] [mm] Feste tykkelse [tfix(1) [mm] Min. hulledybde [h1>] [mm] Min. støttetykkelse [hmin] [mm] Bit Qty per box Qty per outer box
19419B0706000VFØ7,5x6066.211.530304060T-30100800
19419B0707000Ø7,5x7066.211.530404060T-30100800
19419B0709000Ø7,5x9066.211.530604060T-30100800
19419B0710000Ø7,5x10066.211.530704060T-30100800
19419B0713500Ø7,5x13566.211.5301054060T-30100600
19419B0715000Ø7,5x15066.211.5301204060T-30100600
19419B0718000Ø7,5x18066.211.5301504060T-30100400

(1) Max fixing thickness refers to installation on concrete

Size not covered by CE certification

Anbefalte belastninger / for enkeltankere 1)

Art. nr. Product Reference Dimensjoner [dxLv] [mm] Anbefalte belastninger 1) for enkeltanker
Betong C20/25 2) Massiv murstein 2)
fbk ≥ 20 N/mm2
Honeycomb murstein (Bimattone) 2)
fbk ≥ 10 N/mm2
Furu 3)
ρk = 450 kg/m3
Maks dreiemoment 5) [Tmax] [Nm]
Nrec [kN] Vrec [kN] Nrec [kN] Vrec [kN] Nrec [kN] Vrec [kN] Nrec [kN] Vrec [kN]
19419B0709000VFØ7,5x901.51.51.31.50.10.31.1-20
19419B0710000VFØ7,5x1001.51.51.31.50.10.31.1-20
19419B0713500VFØ7,5x1351.51.51.31.50.10.31.1-20
19419B0715000VFØ7,5x1501.51.51.31.50.10.31.1-20
19419B0718000VFØ7,5x1801.51.51.31.50.10.31.1-20

1)The allowable loads Nzul / Vzul were determined from the average values of the breaking loads, taking into account a safety factor γ = 4 (γ = 5 for vertically perforated bricks). Design and dimensioning
shall be carried out in accordance with the Friulsider design guide.


2) Anchoring base without plaster layer.

concrete: hnom = 30mm

solid masonry: hnom = 40mm

honycomb brick (Bimattone): hnom = 60mm


3) Pine wood average gross density ρk = 450 kg/m3 / moisture content approx. 12 % / fiber direction α > 30°.

Pine wood: hnom = 40mm


5) The installation torque must be adjusted according to the type of installation and the anchoring base.

Montering

Montering

ZIP-pakker

Buy from Distributor

No items available.

Contact

Simpson Strong-Tie Norge

Simpson Strong-Tie c/o Christiania Spigerverk

Org.nr: 9672 09 562
Smalvollveien 58
0667 Oslo
Norge