Ankeret setter seg automatisk da fjæren åpner ankeret etter innsetting i hullet
Applikasjoner
Applications
Elektrisk og VVS-tilbehør
Lysarmatur
Gardinstenger
Egnet for
Hulldekke
Gipsplater
Plater med hulrom bak
Tekniske data
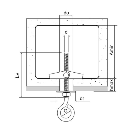
Dimensjoner
Produktdimensjon – Gjengestang
Art. nr.
Produktinformasjon
Product reference
Hole [Ø]
Gjengestang
Washer [Ø]
Pkg.
Ytre boks
76115B0810000
AM
20
M8x100
30
20
160
Produktdimensjon – Krok
Table "Produktdimensjon – Krok" cannot be displayed : no references available.
Montering
Montering
ZIP-pakker
Buy from Distributor
No items available.
Meta Navigation no-NO
Legal Info
Om Simpson Strong-Tie®
Simpson Strong-Tie leverer produkter og tjenester som hjelper folk med å designe og bygge tryggere og sterkere konstruksjoner.
Som en pioner innen byggebransjen og verdensledende innen konstruksjonsløsninger, har vi en uovertruffen lidenskap for problemløsning gjennom innovasjon. Vår forpliktelse til å utvikle stadig bedre byggeprodukter og -teknologier, samt å gi våre kunder unik service og støtte, har vært vår misjon siden 1956.