GSA

Justerbare jordskruer

Justerbare jordskruer (GSATM) er best egnet på steder hvor lengden på en standard jordskrue ikke er tilstrekkelig. Høy variasjon av forlengelsene tillater rask reaksjon på lokale forhold. Justerbare jordskruer kan enkelt transporteres.

EPD

Produktinformasjon

Egenskaper

Materiale

Varmgalvanisert stål i henhold til DIN EN ISO 1461

Fordeler

  • Ingen betong 
    Du trenger ikke å grave og fjerne jord eller arbeide med betong eller vente på at den stivner. 
  • Spare penger 
    Installasjonen av en GSF-skrue tar noen minutter. Du kan fortsette arbeidet med prosjektet ditt umiddelbart. 
  • Stabil
    Steinholdig jord, betong, asfalt, gjørme eller sand er ingen hindring for montering av jordskruen. 
  • Reduserte CO2-utslipp 
    Jordskruerne er avtagbare og kan gjenbrukes opptil 10 ganger. De kan skrus opp og la bakken være som før bygging. 
  • Enkel håndtering 
    Du markerer posisjonen, borer skruen inn og du er klar til å bygge. Fort og lett.

Applikasjoner

Bruk

  • Den ideelle løsningen som punktfundament til f.eks. terrasser, carporter, benker etc.
  • Forankring av liggende bjelker eller stående stolper

Tekniske data

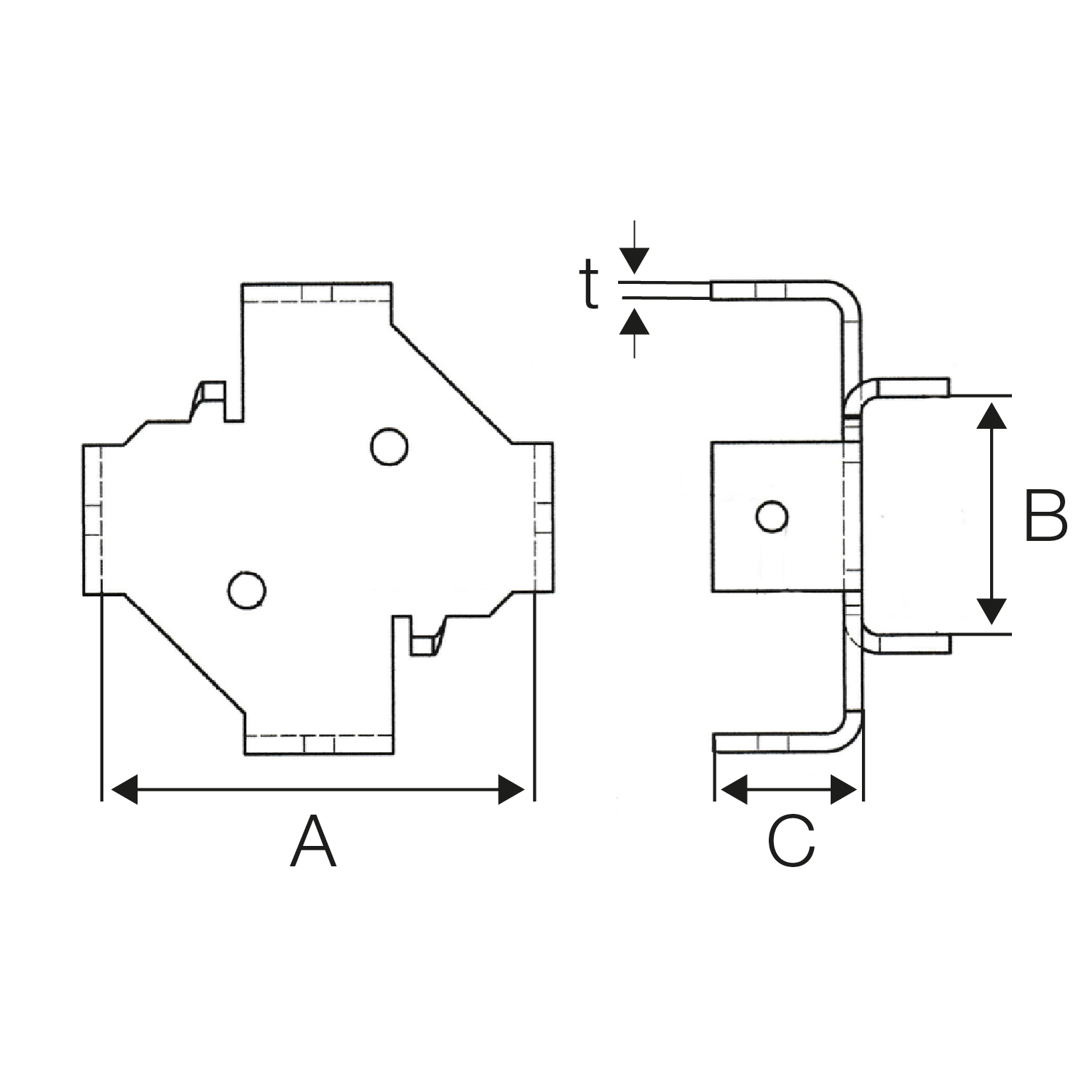
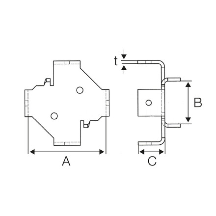
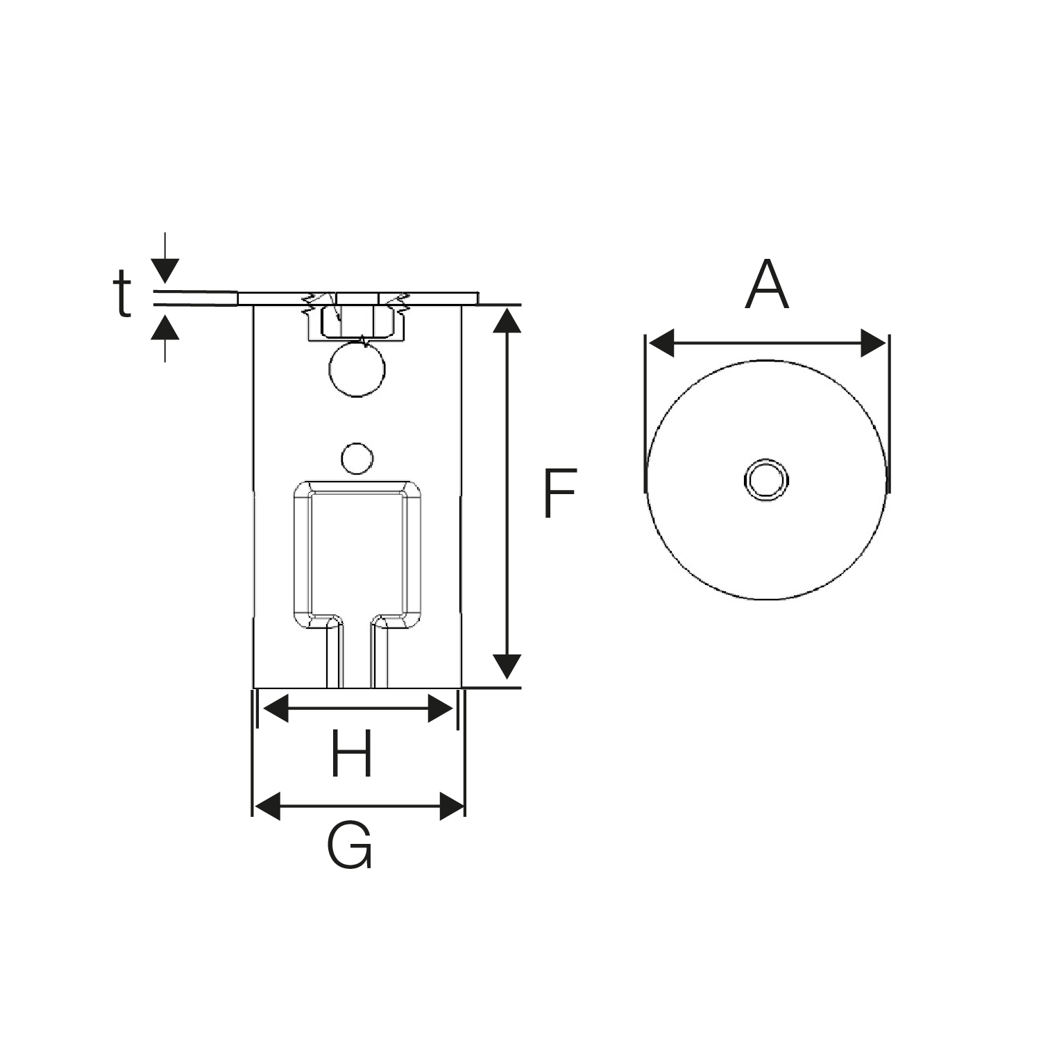
Dimensjoner for U topp

Art. nr. Art. nr.  NOBB nr. Dimensjoner [mm] Huller i topp Box Quantity
A B C F G 10X10 [mm]
GSA-UT80G51302546442408070125120Ø65106
GSA-UT100G513045464425510070125120Ø65106

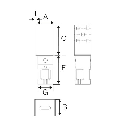
Dimensjoner for L topp

Art. nr. Art. nr.  NOBB nr. Dimensjoner [mm] Huller i topp Box Quantity
A B C F G t Ø7 [mm]
GSA-LT75G51309560827557570125120Ø65456

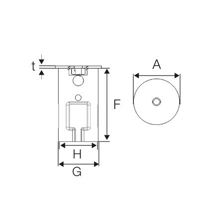
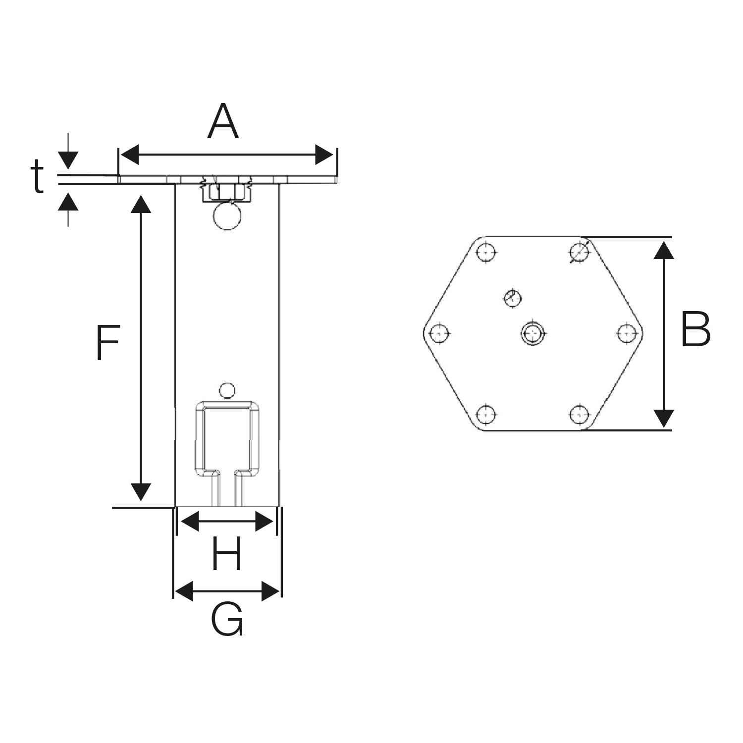
Dimensjoner for Hex topp

Art. nr. Art. nr.  NOBB nr. Dimensjoner [mm] Huller i topp Box Quantity
A B F G H t Ø11 [mm]
GSA-HT12G5130754644266135.5120205Ø65Ø61566

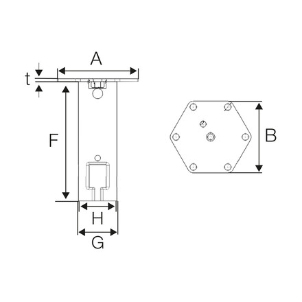
Dimensjoner for flat topp

Art. nr. Art. nr.  NOBB nr. Dimensjoner [mm] Box Quantity
A F G H t
GSA-FT12G5130854644126Ø75120Ø65Ø6146

Dimensjoner for kopp / foring

Art. nr. Art. nr.  NOBB nr. Dimensjoner [mm] Huller i topp Box Quantity
A B C t Ø5 [mm] Ø6 [mm]
GSA-C75G514015608277473402534212

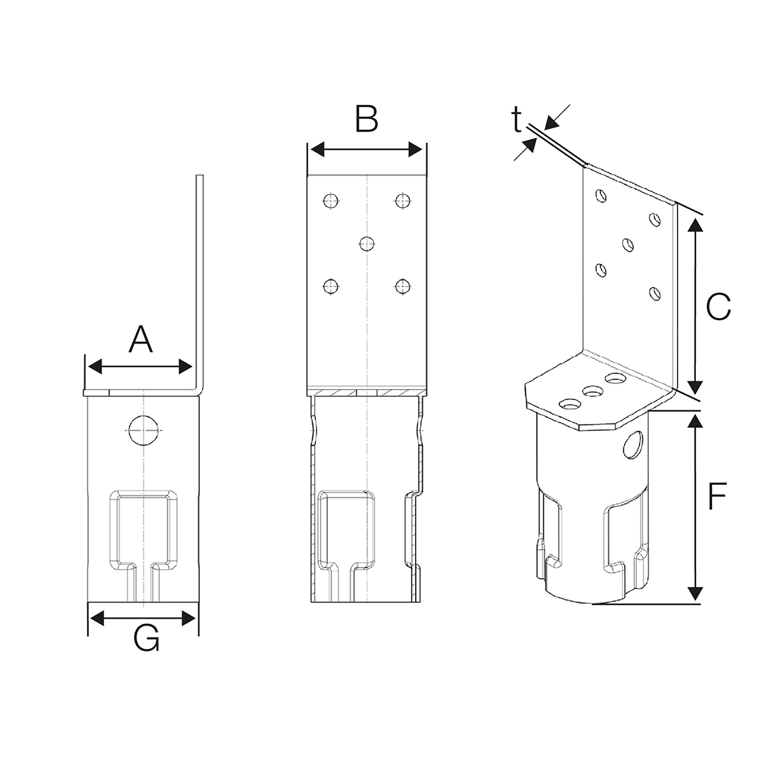
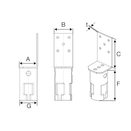
Dimensjoner for forlenger

Art. nr. Art. nr.  NOBB nr. Dimensjoner [mm] Box Quantity
A B C D t
GSA-EX250G5120154644100248Ø70Ø6533026
GSA-EX500G5120254644115480Ø70Ø6558026

Dimensjoner for skruespiss

Art. nr. Art. nr.  NOBB nr. Dimensjoner [mm] Box Quantity
A B C D t
GSA-ST600G5110256082664600Ø70280Ø6526
GSA-ST700G5110355387443700Ø70280Ø6526

Montering

Montering

Installation

Jordskruene monteres enkelt med verktøy som kan kjøpes eller lånes hos din lokale jernvarehandel.

  • Montering av gjør-det-selv-skruer med manuelt monteringsverktøy
    Skru jordskruen manuelt ned i bakken og fest et vater til det for å overvåke vertikal posisjon under monteringen. Benytt håndtaket under montering. Med trykk nedover dreies skruefundamentet med klokken ned i bakken.
  • Montering av DIY skruer med Gearbox 1:20
    Gearbox 1:20 Teleskopstang er laget kun for installasjon av GSF DIY-jordskruer i naturlig komprimert jord til en dybde på 1000 mm

Sertifiseringer

ZIP-pakker

Buy from Distributor

No items available.

Contact

Simpson Strong-Tie Norge

Simpson Strong-Tie c/o Christiania Spigerverk

Org.nr: 9672 09 562
Smalvollveien 58
0667 Oslo
Norge