TRZ

Selvborende metall Plugg

TAN metallplugg er designet for innfesting i gipsplater. Skruen kan skrues direkte inn i gips uten forboring. Emnet som skal monteres festes med Ø4,5 tre eller stålskrue.

Yellow electro-galvanized steel

Produktinformasjon

Bilder

Egenskaper

Materiale

  • Plugg:  zamak

Fordeler

  • Forboring ikke nødvendig

Applikasjoner

Bruksområde

  • Trelekter
  • Gardinskinne
  • Metallprofiler

Egnet for

  • Gipsplater

Tekniske data

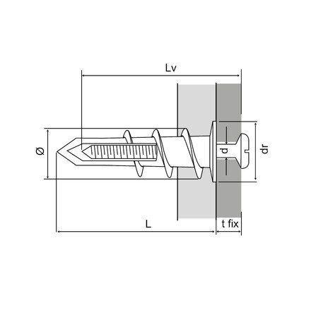
Dimensjoner

Product Dimensions

Art. nr. Product Reference Pluggdiameter x lengde [ØxL] [mm] Feste tykkelse [tfix] [mm] Nominell innstøpningsdybde* [hnom] [mm] Min. support thickness* [hmin] [mm] Screw diameter [d] [mm] Skruelengde [Lv] [mm] Skive diameter [dr] [mm] Utsparing Qty per box Qty per outer box Vekt [kg]
7500601303000TRZ13x3010306043514PZ210020000.007

Values refer to installation on compact base materials such as aerated concrete.

Anbefalte kapasiteter

Art. nr. Product Reference Pluggdiameter x lengde [ØxL] [mm] Anbefalt kapasitet Installation data
Spenning - Nrec [kN] Skjær - Vrec [kN] Characteristic edge distance [ccr,N] [mm] Karakteristisk avstand (5) - Scr,N [scr,N] [mm]
Prefabrikkerte betongblokker G4  Gipsplater 12,5 mm Aerated concrete G4  Plasterboard 12,5 mm
7500601303000TRZ13x300.10.050.20.15050

*These values are for guidance only 

Produktdimensjon – Gjør-det-selv

Table "Produktdimensjon – Gjør-det-selv" cannot be displayed : no references available.

Montering

Montering

ZIP-pakker

Buy from Distributor

No items available.

Contact

Simpson Strong-Tie Norge

Simpson Strong-Tie c/o Christiania Spigerverk

Org.nr: 9672 09 562
Smalvollveien 58
0667 Oslo
Norge