TAN

Selvborende Plugg

TAN nylonplugg er designet for innfesting i gipsplater. Skruen kan skrues direkte inn i gips uten forboring. Emnet som skal monteres festes med Ø3 - Ø4,5 tre eller stålskrue.

Produktinformasjon

Bilder

Egenskaper

Fordeler

  • Ingen forboring nødvendig
  • Kan benyttes til ett og to lag gips

Applikasjoner

Materiale

  • Nylon

Bruksområde

  • Trelekter
  • Gardinskinne
  • Metallprofiler

Egnet for

  • Gipsplater

Tekniske data

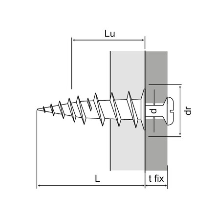
Dimensjoner

Product Dimensions

Art. nr. Product Reference Dimensions [ØxL] [mm] Plugg [Ø x L] Min. skruediameter [d] [mm] Maks. skruediameter [d] [mm] Skivediameter dr [mm] Min. gjengengrep [Lu] [mm] Qty per box Qty per outer box Vekt [kg]
6550501503500TANØ6.5x3515x3534.5142210010000.002

Screw Length: Lv = Lu + tfix

Use Phillips PH2 insert with plasterboard plug

Anbefalte kapasiteter

Art. nr. Product Reference Dimensions [ØxL] [mm] Anbefalt kapasitet Installation data
Spenning - Nrec [kN] Kantavstand [ccr,N] [mm] Avstand(5) - Scr,N [scr,N] [mm]
Gipsplater 12,5 mm Gipsplate 2 x 12,5 mm
6550501503500TANØ6.5x350.060.15050

*These values are for guidance only 

Produktdimensjon – Gjør-det-selv

Table "Produktdimensjon – Gjør-det-selv" cannot be displayed : no references available.

Montering

Montering

ZIP-pakker

Buy from Distributor

No items available.

Contact

Simpson Strong-Tie Norge

Simpson Strong-Tie c/o Christiania Spigerverk

Org.nr: 9672 09 562
Smalvollveien 58
0667 Oslo
Norge