FM-X5
Karmplugg for dører og vinduer
FM-X5 karmplugg i Ø8 og Ø10 mm med senkhode for allsidig montering i betong og murverk.
CE-merket
Avtalegrunnlag
Anvendelsesklasse 2
Elgalvanisert stål
Indoor
Feu R 90
Fix Calc
Tekniske data
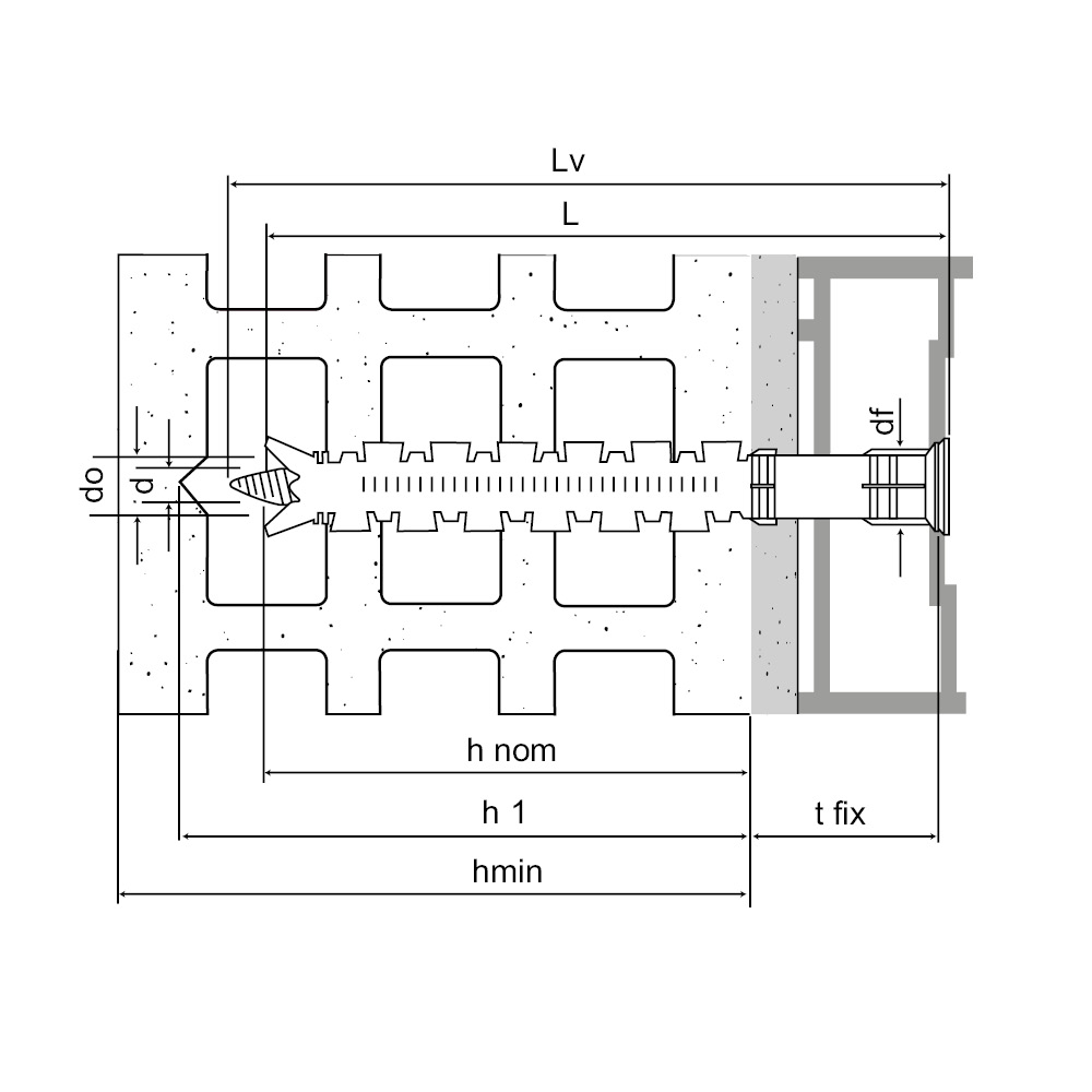
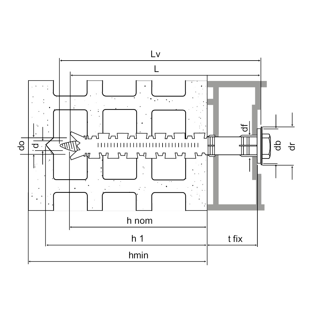
Product Dimension - Countersunk Screw
| Art. nr. | Product Reference | Hole diameter x anchor length [doxL] [mm] | Max. fixture thickness [tfix] [mm] | Min. hole depth [h1] | Nominal embedment depth [hnom] [mm] | Min. support thickness* [hmin] [mm] | Hole diameter in fixture [df] [mm] | Screw diameter [d] [mm] | Screw length [Lv] [mm] | Bit | Qty per box | Qty per outer box |
|---|---|---|---|---|---|---|---|---|---|---|---|---|
| 64301B0808000 | FM-X5 | Ø8x80 | 10 | 80 | 70 | 120 | 8.5 | 6 | 85 | T30 | 100 | 1000 |
| 64301B1008500 | Ø10x85 | 15 | 80 | 70 | 120 | 10.5 | 7 | 90 | T40 | 50 | 500 | |
| 64301B1010000 | Ø10x100 | 30 | 80 | 70 | 120 | 10.5 | 7 | 105 | T40 | 50 | 500 | |
| 64301B1011500 | Ø10x115 | 45 | 80 | 70 | 120 | 10.5 | 7 | 120 | T40 | 50 | 500 | |
| 64301B1013500 | Ø10x135 | 65 | 80 | 70 | 120 | 10.5 | 7 | 140 | T40 | 50 | 200 | |
| 64301B1016000 | Ø10x160 | 90 | 80 | 70 | 120 | 10.5 | 7 | 165 | T40 | 50 | - |
* Including plaster
Product Dimension - Hex Head Screw - Large Rim Washer
Table "Product Dimension - Hex Head Screw - Large Rim Washer" cannot be displayed : no references available.
Product Dimension - D.I.Y - Countersunk Screw
Table "Product Dimension - D.I.Y - Countersunk Screw" cannot be displayed : no references available.
Product Dimension - D.I.Y - Hex Head Screw
Table "Product Dimension - D.I.Y - Hex Head Screw" cannot be displayed : no references available.
Design capacities - single anchor - no edge distances
| Art. nr. | Design capacities - single anchor - no edge distances | ||||||||||||
|---|---|---|---|---|---|---|---|---|---|---|---|---|---|
| Product Reference | Hole diameter x anchor length [doxL] [mm] | Design capacity | |||||||||||
| Tension - NRd | Shear - VRd | Bending moment MRd [Nm] | |||||||||||
| Non-cracked concrete C12/15 [kN] | Non-cracked concrete C16/20 [kN] | Autoclaved aerated concrete AAC [kN] | Solid brick [kN] | Hollow brick Alveolater | Non-cracked concrete C12/15 [kN] | Non-cracked concrete C16/20 [kN] | Autoclaved aerated concrete AAC [kN] | Solid brick [kN] | Hollow brick Alveolater | ||||
| 64301B0808000 | FM-X5 | Ø8x80 | 0.8 | 1.4 | 0.3 | 1.4 | 0.6 | 0.8 | 1.4 | 0.3 | 1.4 | 0.6 | 7 |
| 64301B1008500 | FM-X5 | Ø10x85 | 1.4 | 1.9 | 0.3 | 1.4 | 0.6 | 1.4 | 1.9 | 0.3 | 1.4 | 0.6 | 13.47 |
| 64301B1010000 | FM-X5 | Ø10x100 | 1.4 | 1.9 | 0.3 | 1.4 | 0.6 | 1.4 | 1.9 | 0.3 | 1.4 | 0.6 | 13.47 |
| 64301B1011500 | FM-X5 | Ø10x115 | 1.4 | 1.9 | 0.3 | 1.4 | 0.6 | 1.4 | 1.9 | 0.3 | 1.4 | 0.6 | 13.47 |
| 64301B1013500 | FM-X5 | Ø10x135 | 1.4 | 1.9 | 0.3 | 1.4 | 0.6 | 1.4 | 1.9 | 0.3 | 1.4 | 0.6 | 13.47 |
| 64301B1016000 | FM-X5 | Ø10x160 | 1.4 | 1.9 | 0.3 | 1.4 | 0.6 | 1.4 | 1.9 | 0.3 | 1.4 | 0.6 | 13.47 |
Montering
Montering
Spacings and edge distances
| Art. nr. | Product Reference | Hole diameter x anchor length [doxL] [mm] | Spacings and edge distances | |||||||||||||
|---|---|---|---|---|---|---|---|---|---|---|---|---|---|---|---|---|
| Non-cracked concrete C12/15 | Non-cracked concrete C16/20 | Autoclaved aerated concrete AAC | Solid brick | |||||||||||||
| Min. edge distance [cmin] [mm] | Min. spacing [smin] [mm] | Characteristic edge distance [ccr,N] [mm] | Minimun thickness of support [hmin] [mm] | Min. edge distance [cmin] [mm] | Min. spacing [smin] [mm] | Characteristic edge distance [ccr,N] [mm] | Minimun thickness of support [hmin] [mm] | Min. edge distance [cmin] [mm] | Min. spacing [smin] [mm] | Minimun thickness of support [hmin] [mm] | Min. edge distance [cmin] [mm] | Min. spacing [smin] [mm] | Minimun thickness of support [hmin] [mm] | |||
| 64301B0808000 | FM-X5 | Ø8x80 | 80 | 80 | 140 | 100 | 60 | 60 | 100 | 100 | 100 | 250 | 200 | 100 | 250 | 110 |
| 64301B1008500 | FM-X5 | Ø10x85 | 80 | 80 | 140 | 100 | 60 | 60 | 100 | 100 | 100 | 250 | 200 | 100 | 250 | 110 |
| 64301B1010000 | FM-X5 | Ø10x100 | 80 | 80 | 140 | 100 | 60 | 60 | 100 | 100 | 100 | 250 | 200 | 100 | 250 | 110 |
| 64301B1011500 | FM-X5 | Ø10x115 | 80 | 80 | 140 | 100 | 60 | 60 | 100 | 100 | 100 | 250 | 200 | 100 | 250 | 110 |
| 64301B1013500 | FM-X5 | Ø10x135 | 80 | 80 | 140 | 100 | 60 | 60 | 100 | 100 | 100 | 250 | 200 | 100 | 250 | 110 |
| 64301B1016000 | FM-X5 | Ø10x160 | 80 | 80 | 140 | 100 | 60 | 60 | 100 | 100 | 100 | 250 | 200 | 100 | 250 | 110 |
Installation data
| Art. nr. | Product Reference | Hole diameter x anchor length [doxL] [mm] | Installation data | |||
|---|---|---|---|---|---|---|
| Ø drilling hole [d0] [mm] | Min. drill depth [h1] [mm] | Ø drilling fixture [df] [mm] | Wrench size [SW] [mm] | |||
| 64301B0808000 | FM-X5 | Ø8x80 | 8 | 80 | 8.5 | - |
| 64301B1008500 | FM-X5 | Ø10x85 | 10 | 80 | 10.5 | - |
| 64301B1010000 | FM-X5 | Ø10x100 | 10 | 80 | 10.5 | - |
| 64301B1011500 | FM-X5 | Ø10x115 | 10 | 80 | 10.5 | - |
| 64301B1013500 | FM-X5 | Ø10x135 | 10 | 80 | 10.5 | - |
| 64301B1016000 | FM-X5 | Ø10x160 | 10 | 80 | 10.5 | - |
Sertifiseringer
Ytelses Erklæring (DoP)
no-fm-x5-07-f.pdf
(227.85 KB)
European Technical Assessment (ETA)
fm-x5-eta-10-0425-en-2024-03-13.pdf
(987.52 KB)